-
-
Exploded Render of the Steel City Strider Assembled
-
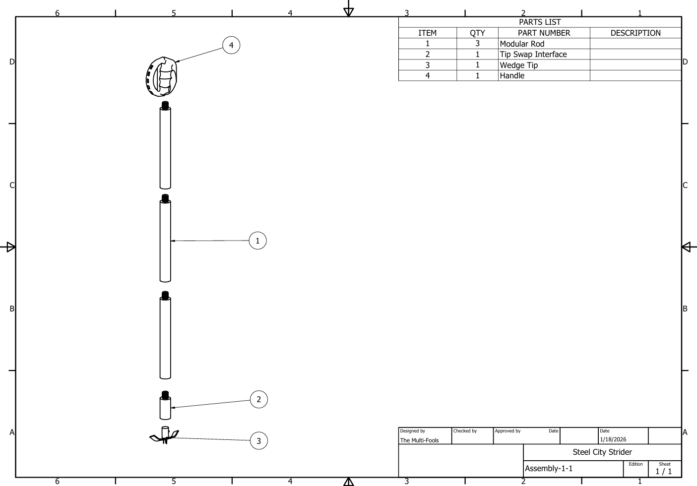
Engineering Drawing of the Steel City Strider
-
Sketch of the Steel City Strider into its detached components and its hot swappable tips.
-
Render of the handle, features a flashlight and a handwarmer
-
Picture of hand mould samples from fellow university students
-
Concept Sketches of the Hand Moulds
-
Sketch of a polypropylene housing enclosing the lithium-ion battery, providing thermal insulation against extreme cold.
-
Sketch of inside view where the lithium battery is stored in the handle, powering its respective components
-
Concept sketch of the hand warmer, indicating where the carbon heating film sits in the handle.
-
Render of Wedge Tip, used for snow plowing
-
Concept Sketch of Wedge Tip
-
Concept Sketch of Wedge Tip Plowing Snow
-
Sketch of the Additional Flashlight Clip
-
CAD of the Additional Flashlight Clip
Inspiration
Our inspiration strived from hiking sticks, snow plows that are used on trains to get through the tall snow, and the will to get to our exam.
What it does
We built a modular and collapsible walking cane designed for traversing varying, uneven terrain in the winter. The product's threading system allows for interchangeable cane tips and handles, allowing for utility in a diverse set of circumstances. LED flashlights are mounted on the handle which allows for better visibility in darker settings, and the handle contains a built-in hand warmer.
One of the modular tips is a larger plowing "wedge" that allows for clearing snow.
How we built it
Our development process for The Steel City Strider began with collaborative brainstorming and conceptual sketching, followed by multiple 3D modelling iterations in Invento,r where we 3D-printed custom test screws and bolts to verify mechanical tolerances before finalizing the design and creating high-fidelity renderings and exploded views.
Challenges we ran into
The design of The Steel City Strider was shaped by overcoming technical roadblocks, including the complex modelling of ergonomic handles in Inventor and the precision-tuning of attachment locking systems. We resolved initial threading and 3D-printing failures through rigorous tolerance testing, ultimately pivoting our design to address the extreme physical demands of Hamilton's five-foot snow accumulation.
Accomplishments that we're proud of
Our team successfully delivered on every core objective, specifically the creation of a modular locking system that allows for rapid field-transition between functions. We achieved a high level of design fidelity, particularly in the organic geometry of the ergonomic handle, ensuring that the Steel City Strider remains a lightweight yet robust solution to a seemingly impossible environmental problem.
What we learned
Throughout the design of The Steel City Strider, we significantly advanced our technical toolkit, mastering complex CAD workflows in Autodesk Inventor. We moved beyond basic modelling to execute organic geometries using loft rails, developed precision mechanical locking mechanisms, and learned to validate our designs through 3D animation and high-fidelity rendering to simulate real-world operation.
What's next for The Steel City Strider
Moving forward, we aim to iterate on the Steel City Strider through three key pillars: Advanced Material Science: Integrating lightweight, ultra-cold-resistant polymers to ensure structural integrity at -40°C. Hydrodynamic Engineering: Researching and testing new wedge geometries to 'plow' through 8ft drifts with minimal resistance. Attachment Ecosystem: Expanding our modular suite to include specialized sensors for snow-depth measurement and emergency GPS integration.
Built With
- autocad
- chatgpt
- inventor
Log in or sign up for Devpost to join the conversation.