Purpose

Wind is the invisible, but it clearly touches our bodies. To enable us to feel the invisible, this project uses light and motion as alternative expressions.

Concept

“Giving shape to the invisible” — transforming the unseen into something we can feel, through technology and the sensibility of Japanese culture. 🧠More about the concept: yukarikisu.com/concept 🍃Concept of this project

What it does

This project is designed to translate wind into tactile feedback. First, the anemometer detects wind, and send wind data to the scarf's ESP32. Then the scarf's ESP32 sends it to the earring's nRF52832, and controls the servo motors. After that, the earring blinks the LED inside like candle frame.

Who it helps

I believe that true essence often lies in what cannot be measured — the atmosphere between people, fleeting emotions, unspoken connections, the breeze, the silence after a sound, the space between words. I'd like to create opportunities to notice them by giving shape to invisible things through technology.

Why it matters

Modern technology often leans toward efficiency, clarity, and visibility. But I want to use technology as a device for sensing. Something that embraces the invisible — and translates it into something we can feel. I believe this is another possibility of technology: not just solving problems, but deepening our perception of what cannot be seen.

How it creates measurable impact

The wearer feels the wind via tactile feedback when the scarf gently embraces the shoulders. While people nearby feel the wind via visual feedback. This dual-sensory experience invites awareness, which is difficult to quantify but deeply human.

Components

🌬️The Anemometer (ESP32DevKitC) Detects wind and sends the data to the scarf.

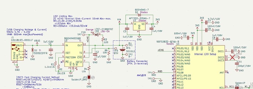
🧣 Scarf (ESP32DevKitC) Receives wind data from the anemometer, sends it to the earring, and controls a servo motor.

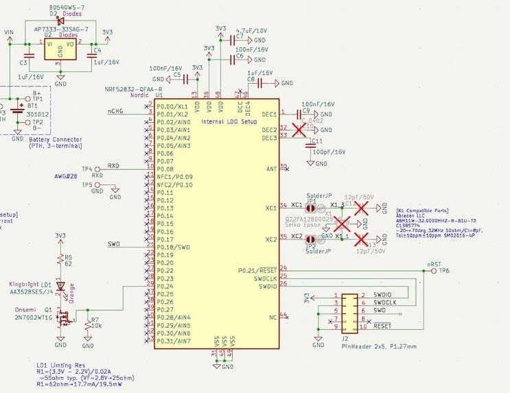
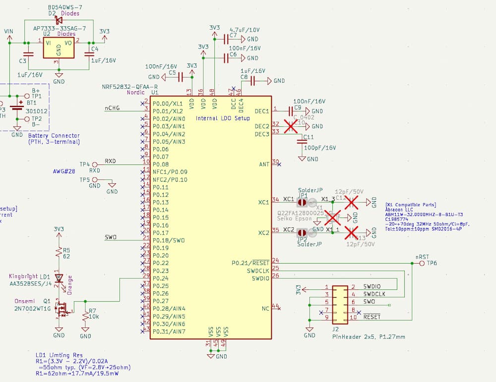
💍The Earrings(nRF52832) Receive wind data from the scarf and controls LED blinking.

Challenges

  1. Handwritten Makefile
  2. The Earring’s Size & Weight
  3. PCB Design

Learnings

  1. How to trace signal flow between MCUs
  2. UART fallback under BLE failure
  3. Design process from technical constraint to aesthetic

Future Improvement

  1. Bluetooth Low Energy
  2. Update LED behavior

Demo Video

🎥Demo Video

Deployment Link

📕Technical Documentation This page serves as the deployment overview for the Devlgnite submission, including detailed technical documentation, design process, and project outcome.

Team Information

Solo Project by Yukari Kisu

Built With

  • c
  • custom-pcb
  • esp-idf
  • esp32
  • makefile-based
  • nrf52832
Share this project:

Updates