Inspiration
Inspired by our experience on the McMaster EcoCAR team where we are converting a 2019 Chevy Blazer into a hybrid in 4 years. In the previous EcoCAR challenge which ended in 2018, had used a Chevy Camaro. We wanted to test a more sustainable electric motor option for EVs and so we wanted to research the use of Switched Reluctance Motors (SRMs) in a Chevy Camaro.
What we did
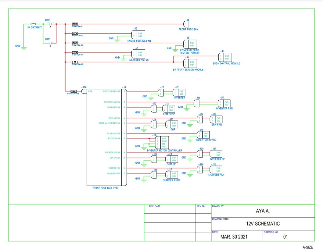
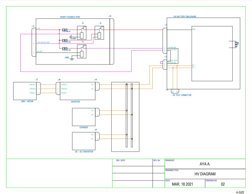
We designed all the base aspects to set up this project which would be continued in future years by Masters students. We designed the main controller board using Altium. The next part was creating all the wire harnessing drawings which was done on AutoCAD Electrical, showing all the connections throughout the vehicle. And finally, we created a MATLAB simulink model where we were able test our configuration and its feasibility. We were able to get performance metrics to show a proof of concept of our design through MATLAB.
What's next for SRM Powertrain Integration
We have finalized all of our documentation from our designs and the next step is to test it. This can be done by graduate students researching in this area using our schematics and documentation to set up lab bench tests and later on set it up in the Camaro. This project, like EcoCAR, is multi-year where the work we did is equivalent to the work done by the EcoCAR team in year 1 of the competition - the design phase.
Built With
- alitum
- autocad-electrical
- autodesk

Log in or sign up for Devpost to join the conversation.