Inspiration

  1. Personal experience: If you are a pet owner yourself, you may have experienced challenges with feeding your pet on a consistent schedule, or while you are away from home. Developing a pet feeder that could address these challenges could be a compelling motivation.

  2. Market demand: Pet ownership is a growing market, with an increasing number of people owning pets and investing in their well-being. Developing a pet feeder that meets the needs of busy pet owners could be a lucrative opportunity.

  3. Technology: There are many new and emerging technologies that could be incorporated into a pet feeder, such as sensors, cameras, and artificial intelligence. The prospect of developing a cutting-edge pet feeder that could revolutionize pet care could be a strong inspiration.

What it does

From UI in NodeRed cloud, we can get real-time sensor data of food weight and water level. Also, we can feed pet with food and water by setting timer. In addition, the platform can help user calculate the daily food consumption.

How we built it

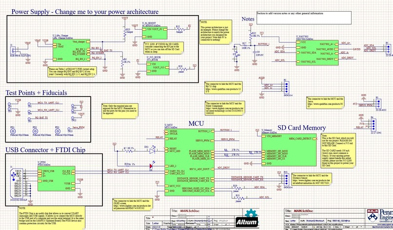
  1. Hardware: Used Altium for schematic and 4-layer PCB design. 2.Software: Under Atmel Studio, implement C and FreeRTOS to develop MCU, peripheral sensors and actuators including distance sensor, weight sensor, ADC load cell, servo and water pump.
  2. IoT cloud: designed UI with NodeRed and json to realize real-time control.

Challenges we ran into

  1. At the first time we got the board, we found it cannot connect to PC's com port. After hardware debugging, we figured out that we choose false pair of resistors (27 but 27K) for USB differential wires. By changing right resistors, everything on board works.
  2. Cloud connection issue: the sender queue of MQTT is always full. This issue would cause Wi-Fi thread/system to get stuck. The problem was addressed by creating our new account and credentials in Hivemq.

Accomplishments that we're proud of

  1. Real-time control and monitor for pet feeder.
  2. All modules/components in our PCBA works!!!
  3. We reach our target functions for our system including, weight and distance measurement.
  4. Highlights for our cloud UI with GIF about cute doggy.
  5. Closed-to-practical usage: set timer and amount for food and water feeding.

What we learned

  1. Operation and coding for FreeRTOS.
  2. IoT cloud construction with NodeRed for UI application.
  3. Schematic Capture, PCBA design and debugging/troubleshooting
  4. Driver coding like I2C/ADC, UART, etc.
  5. MQTT Protocol application like publish/subscribe topics. ## What's next for Smart Pet Feeder

Built With

  • altium
  • c
  • freertos
  • nodered
Share this project:

Updates