Inspiration
We like rock and The Rock. Nothing is more embarrasing than missing a chord. Now you can rock on, without fear of judgement.
What it does
Let's you play rock music with no prior practicing. Soon you can be shredding up there with the like of Van Halen and Slash.
How we built it
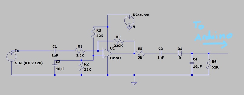
Created a preamplifier stage, followed by a half wave DC rectifier feeding into an arduino. The arduino then determined whether there were some sick riffs being played, and if so sent rock in it's purest form to the amplifier via pulse wave modulation.
Challenges we ran into
The void of equipment that we lacked, seriously sucked our will to live.
Since we did not have an SD card reader, we had to make do with the PCM Arduino library to play a short 2 second audio clip. We ran into some issues as the library did not accommodate for the ATmega2560 processor, so we had to customize the library to suit our needs.'
The AC signal varied too much for the arduino to reliably detect so we added a half wave rectifier to give us a DC signal for the arduino. (Why half-wave? Cause it was good enough to work.)
Accomplishments that we're proud of
When else have you seen a guitar pedal capable of turning you instantly into a rockstar? Now with the flick of a 3-way light switch, you can.
What we learned
We learned that it's about drive, it's about power. Varying DC inputs are easier to read than a straight AC input from a musical instrument.
What's next for Rock On
Getting a sd card adapter for the arduino so we can play more than a 2 second loop.


Log in or sign up for Devpost to join the conversation.