Inspiration
Commercial compressors are widely available. Instead using the approach of building costum DIY compressors for ventilatory purposes (which makes it challenging to fulfil the requirements), commercial compressors could be employed to provide the required pressure which makes the overall ventilation system modular, more robust and powerful.
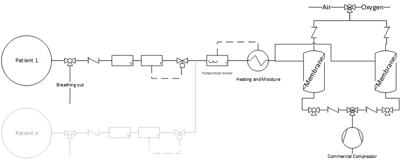
What it does
Interface allows for employing standard commercial compressors as ventilators. Would allow for ventilating at least four patients with only one compressor.
How we built it
Leider hatten wirn icht die Ressourcen, um tatsächlich ein Gerät zu bauen. Der Ansatz ist unserer Meinung anch aber trotzdem vielversprechend. Wor haben unabhängig vom Hackathon viele Aufrufe für Ventilation-Systeme für Beatmungsgeräte gefunden. Daraus schließen wir, dass andere benötigten Teile, wie Filter oder Befeuchtungseinheiten zumindest teilweise vorhanden sind. Viele Ansätze, die derzeit auf Platformen verfolgt werden, konzentrieren sich darauf geeignete Kompressoren über 3D-Druck zu entwickeln und schnell und in hoher Stückzahl zur Verfügung zu stellen. Dieser Ansatz ist aber aus verschiedenen Gründen problematisch: Es ist schwierig, ein medizinisches Produkt mittels FDM-Verfahren zu fertigen, durch die poröse Struktur wird zum Beispiel viel Platz für einen Bewachs mit Mikroorganismen geboten. Gleichzeitig ist es schwer Teile zu entwickeln, die auch genügen Volumenstrom, um einen Patienten zu versorgen, bereitstellen. Deswegen ist unser Ansatz, bestehnde Kompressoren für diese Anwendung nutzbar zu machen. Dazu wollen wir eine allgemeine Schnittstelle entwickeln, um herkömmliche Kompressoren, wie sie z.B. auch in vielen Haushalten zum Aufpumpen von Luftmatrazen vorhanden sind, für Beatmungsgeräte nutzen zu können (Nach grober Überschlagung reicht bereits so ein Gerät, um 4 Patienten gleichzeitg zu beatmen!). Die Herausforderung dabei ist die Bereitstellung von "sauberer" Luft, da viele Kompressoren Öltröpfchen die Luft einbringen, mit der man die Lunge der Patienten natürlch nicht zusätzlich belasten möchte. Dafür wollen wir zwei getrennte Luftkreisläufe etablieren, die keinen direkten Kontakt zu einander haben. Die komprimierte Luft aus dem Kompressor, die zum Druckaufbau verwendet wird, ist also unabhängig von der Beatmungluft. Dadurch können aufwendige Reinigungsschritte ausgelassen werden und eine Kontamination ist ausgeschlossen. Als Schnittstelle zwischen den beiden Kreisläufen schlagen wir z.B. eine Membranpumpe vor. Diese gibt es bereits als hygenisches Design für viele Anwendungen. In kombination mit diversen Verteil- und Rückschlagventilen sollte eine Verschaltung so möglich sein, dass eine Beatmung von Patienten gewährleistet ist. Die Parallelschaltung von zwei Pumpen kann einen Druckabfall während des Ausatmen des Patienten verhindern. Alle für diese Idee benötigten Einzelteile können über diverse Hersteller in großen MEngen bezogen werden, der Ansatz wäre also gut skalierbar.
Challenges we ran into
Accomplishments that we're proud of
What we learned
What's next for Quelloffener_Ventilator
Built With
- tbd

Log in or sign up for Devpost to join the conversation.