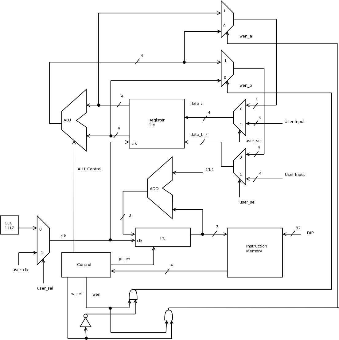
OOPS (One Operation Per Second) Architecture started as ridiculous suggestion while brainstorming for a project idea. The joke became a reality when the project idea was found to be feasible after being fleshed out. OOPS has an ISA (instruction set architecture) of 8 instructions. The simplicity gives users to see how a computer functions on the gate level to do awesome things. Large components of the processor are marked so the OOPS processor can but used as a teaching tool. Although it is simple, the construction gets complex fairly quickly. The OOPS processor uses about 100 mechanical relays to bring its logic to life.

Log in or sign up for Devpost to join the conversation.