Inspiration
Have you ever been locked out of your room? Fret not, the automatic door monitoring and unlocking system is here to help you! You will never need to get a temp card again!
What it does
Our project aims to make our doors smarter. It features a piston mechanism to unlock the door by pulling up the door handle. It also uses a magnetic contact switch to detect whether the door is closed properly. The system uses a wireless communication module to open the door and to notify residents if the door is not closed properly.
View the demo here
How we built it
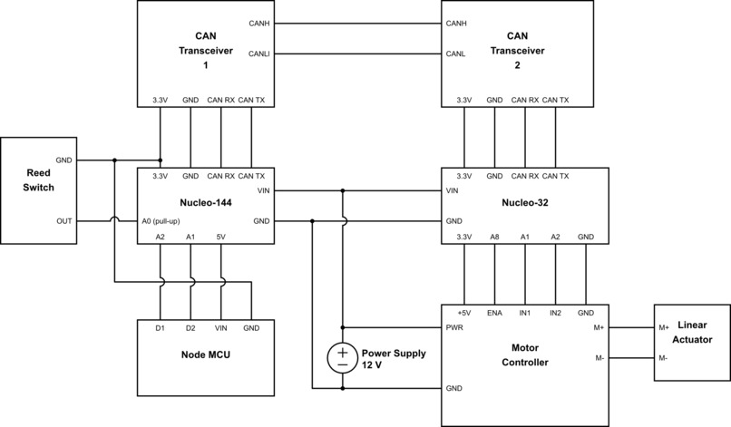
We used the Nucleo-144 board as the primary board, driving most of the system logic. The Node MCU was used to handle wireless communication between the resident’s phone and the system. The resident could tap a button to remotely activate the linear actuator. The Node MCU would send a signal to the Nucleo-144, which then signals to the Nucleo-32 to drive the linear actuator using the CAN communication protocol and bus modules.
A magnetic reed switch was used to detect whether or not the door was open. We read the switch using the Nucleo-144. Whenever it detected that the door was open, it sent a signal to the Node MCU. The Node MCU then utilized the Blynk app library to trigger a notification event on the connected user’s phone app. In addition, the app was configured to always show the status of the door, so that if the user missed the notification, they could still check whether or not the door was open.
The design of the system is intended to be more complicated than necessary to let us explore how different modules can communicate with each other to form a coherent system.
Built With
- nucleo

Log in or sign up for Devpost to join the conversation.