-
-
Pickup bobble with three strong magnets between
-
Pickup wrapped in electrical tape for insulation; black dots identify magnet location
-
Completed pickup with soldered Arduino wires
-
Laser cut frame of string instrument glued together
-
Strings anchored to lower edge of instrument body
-
Partially strung instrument; tension adjusted with screw hooks on upper instrument edge
-
Finished string instrument fully strung with anchored pickup and extension cord
-
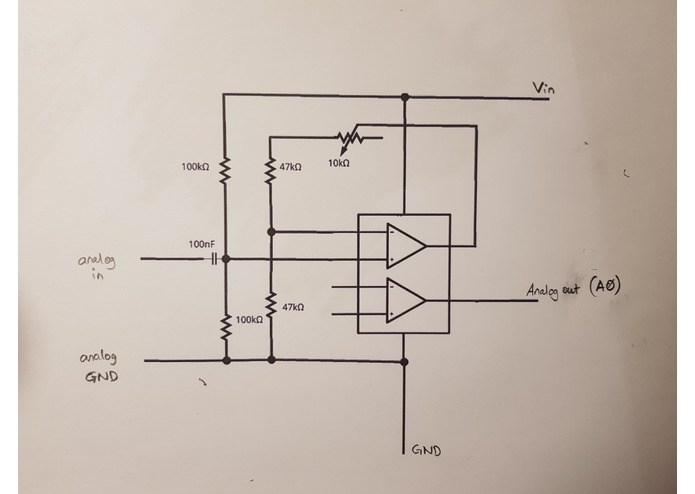
Circuit design diagram; rectangle represents op amp
Abstract
Keshava and Constantine present the Acoustic to Midi Synthesizer. The overarching goal is to create an attachment that digitizes an acoustic instrument to produce any desired midi sound output. In essence, this attachment could convert a typical stringed guitar into an electric bass, synthesizer, lead, or any other audio element by routing its midi output into a digital audio workspace (DAW). This product combats the exorbitant rates for electric instruments with a simple clip-on tool that contains identical circuitry and functionality as standard electric guitars, including a “pickup,” operational amplifier, and gain adjustment dial. Additionally, this converter can potentially eliminate the need for expensive recording microphones for acoustic recording, as a string instrument can be connected to a DAW for direct, minimal-noise recording. The Acoustic to Midi Synthesizer is an inexpensive and effective tool to convert any acoustic string instrument into a dream electronic synthesizer.
Theory and Assembly of Pickup
A basic guitar pickup is an inductive sensor that consists of a coil wrapped around a permanently magnetic pole. The pickup lays below the acoustic instrument string in a manner such that the magnets are perpendicular to the length of the strings. When the strings vibrate, a small signal is generated within the coil. It is important to note that this signal must be amplified with an operational amplifier in order to produce the classic electric guitar sound, but this process shall be further discussed in the circuit design section. A common physics textbook would explain that the magnets possess a magnetic field that is disturbed by the vibration of the string. It is the pull of the metal string on this magnetic field that creates a signal. On the other hand, the National High Magnetic Field Laboratory postulates that the magnets within the pickup cause the vibrating strings to become sources of magnetic flux; the string itself is a vibrating magnet, whose flux is simply “picked up” by the coil and transmitted. Our team took this theoretical information and produced the following design. Our guitar pickup involves a series of strong magnets placed next to one another encased by two supportive pieces of cardboard. These setup creates a bobble that can be wrapped with magnetic wire. One end of the magnetic wire goes to ground, while the other goes to an analog pin on the Arduino microprocessor. This pickup can also be attached to a quarter-inch jack into a speaker that would play a sound typically associated with an electric guitar. Unfortunately, there were two central flaws with our pickup. First, the pickup required string that would be sufficiently responsive to the magnetic field. Our violin strings simply refused to display a strong response to the magnets. A temporary solution was identified by gluing a metal nail to the string as an attempt to introduce a vibrating object that was highly attracted to the magnetic field. This solution proved to be effective, as the oscilloscope showed consistent excitement each time the string was plucked. Second, the ever-present issue of noise haunted our sine wave product. Most likely, an in-circuit high-pass filter would have to be implemented in order to remove this excess noise, which is currently outside the scope of this project. Please scroll through the images above to see the transition of the pickup to completion, as well as further construction of the instrument body.
String Instrument
The purpose of designing a rudimentary string instrument rather than simply using a violin or guitar was to prove the quality of sound that can be produced with a low-budget instrument. In fact, the electric instrument market effectively marks up the prices of its instruments for aesthetic reasons only. Neither the circuitry nor the basic string instrument constructs are particularly complex or expensive in the average electric guitar. For the sake of speed and accuracy, our team employed layered, laser-cut medium density fiber (MDF) to build the body of our string instrument. The general measurement specifics were derived from standard violin sizes. The central challenge of the instrument design came when the strings were attached. Our team decided to use nails to anchor the bottom of the strings and screw hooks to adjust the tension. Unanticipated was the magnitude of tension these strings would bring. The layered MDF was held together by wood glue that had been clamped with vice grips and dried adequately, yet this adhesive was still not enough to hold the strings without the instrument body falling apart. As a result, additional nails were required to bring structural support to the instrument (but unfortunately also take away from instrument aesthetics).
Circuit Design
Prior to designing and testing the pickup, our team predicted a need for an operational amplifier that would step up our signal to range between 0 and 5 volts. The signal for our pickup entered the Arduino from an analog pin. The secondary wire coming from the pickup was grounded. Using the built-in ADC, our string instrument analog signal was converted to a digital signal that was then amplified to a larger, readable value. These voltage values were then mapped to a midi output via channel, pitch, and velocity data. Due to hardware challenges with the pickup, the acoustic to midi process was not fully tested. Instead, our team was able to prove that the microprocessor could effectively relay channel, pitch, and velocity data through the Arduino built-in midi functions to a DAW that can output the sound. This process is featured in our demo video, showing an audio output of "Jingle Bells" as commanded by the Arduino. It is important to note that the unification of the amplified signal from the string instrument and a midi output is a notably complex problem. Fundamental error lies in mapping voltages to note frequency, as any mistake in amplification or pickup signal would result in an inaccurate note output by the DAW. Fortunately, our team was able to find success in separating our project into two independent challenges: reading pickup signal and relaying midi information to the DAW.
Sample Code
// First parameter is the event type (0x09 = note on, 0x08 = note off).
// Second parameter is note-on/note-off, combined with the channel.
// Channel can be anything between 0-15. Typically reported to the user as 1-16.
// Third parameter is the note number (48 = middle C).
// Fourth parameter is the velocity (64 = normal, 127 = fastest).
void noteOn(byte channel, byte pitch, byte velocity) {
midiEventpacket_t noteOn = {0x09, 0x90 | channel, pitch, velocity};
MidiUSB.sendMIDI (noteOn);
}
void noteOff(byte channel, byte pitch, byte velocity) {
midiEventpacket_t noteOff = {0x09, 0x90 | channel, pitch, velocity};
MidiUSB.sendMIDI (noteOff);
}
Conclusions
While the string instrument and pickup combination may not have been entirely effective, our team strongly believes that the implementation of metal string that display high magnetic attraction, as well as an in-circuit high-pass filter would complete our Acoustic to Midi Synth tool. In terms of successes, our Arduino was able to transmit and play midi data over our DAW, which is a significant portion of this project. The stretch goal of this project is to create a final product, which is functional, user-friendly, and aesthetic, that can be distributed through the Music Giving Foundation. MGF is a non-profit organization co-founded by a member of this design team, Keshava Katti, that brings instruments and music training to underprivileged students. The Boys and Girls Club of America and MGF are partnered together; almost each Boys and Girls Club includes some variation of a “music room.” Typically, this room contains basic drums, an upright piano, and several basic string instrument. Through MGF, our vision is to distribute our Acoustic to Midi Synth tool in an effort to bring electric instruments to a population that has no access to such musical technology.
Final Demo Video: https://www.youtube.com/watch?v=1EWpY82cQmQ

Log in or sign up for Devpost to join the conversation.