-
-
CAD Image 1
-
CAD Image 2
-
First time reading input from IR receiver with finger. Oscillations at the beginning to middle are pulse with peak at the end being neutral.
-
First time reading input from IR receiver.
-
First time reading input from IR receiver
-
NOAA-19 Sat Image (Og Idea)
-
First Antenna Test on FM (Og Idea)
-
Antenna mounted to Fan (Og Idea)
-
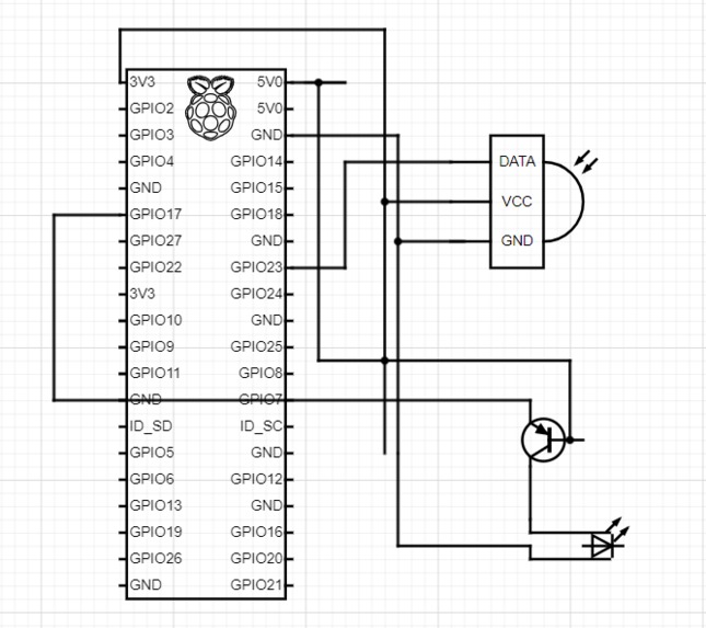
Example of our sensor circirt
Inspiration
Our inspiration for the project was from the common universal concept that music has a very substantial effect on your mood. With this in mind we wanted to use this concept to benefit people in stressful situations and potentially calm them. However, to do this we needed a way to measure a person's stress levels. To this end we decided to design and build our own pulse reader to measure a person's heartrate. We reasoned that with the information provided by a pulse oximeter, specifically a person's heartrate, we could quantify their stress and then address it with the correct music.
What it does
Our device was originally hoped to play music based on a person's heart rate; however, we were only able to read unreliable heart waves. The hardware of our project functions exactly the same as a regular pulse reader. Firstly, a person will open the clip we designed and place their finger inside, the clip will then clamp down on their finger because of the rubber band placed inside the slot around the clip. Next the device will shine an IR LED will shine through the persons fingernail on one side which will then be received by the IR receiver on the other side. This signal received by the IR receiver will fluctuate, letting less or more IR light through to the other side depending on the persons heartbeat.
How we built it
The housing of the device is designed entirely by us and is 3d printed out of PLA. The IR light fits inside side of the clamp and the receiver is placed on the other with holes designed in place for both of them to transmit and receive respectively. There is also a rubber band slot designed on the around the clamp which allows for it have some elasticity and hold closed, keeping the fit snug.
Challenges we ran into
Initially we had two other ideas that we tried before deciding on this one. Our first was a satellite dish made out of an umbrella. This idea showed promise when we were able to capture an image from the NOAA-19 satellite. However, upon arriving at the venue we realized the idea was not feasible and there would be too much interference and the roof was not accessible. Our second idea was to build an Electrocardiogram, although since we had no time to prepare ahead as we did for our umbrella, we scrapped the idea because of part availability. Then, we finally arrived at the idea of a pulse oximeter or pulse reader. We liked this idea, but the next challenges we faced was the knowledge gap. None of us had much electrical experience, and next to no experience with IR light. However, this did not deter us as over the course of the competition we have learned and implemented these skills to complete the final design. We are able to read heart signals but unable to actually make out heart waves reliably due to limits in hardware. And thus, we are unable to play music based on the heart rate. This is due to not having an actual IR transmitter.
Accomplishments that we're proud of
We are very proud and grateful that we were able to pivot ideas and find enough necessary materials to finish our desired project. We are also proud of the physical design of the product.
What we learned
We learned a lot over the course of this project as it's safe to say we had to research and learn about almost every part we used in our design and it's function. We also learned how to quickly iterate upon our design as we needed to be fast in fixing something in the design if it did not work.
What's next for HeartBeat Harmony
We hope to continue to work on our current design with an end goal of having the device fully compartmentalized and separate from any wires connecting to it externally. This is because of our hope that it could one day be used commercially, and to allow for this we want the user experience to be as easy as possible. We also would like to allow data transfer between the device and a website to make a more use friendly UI.
Log in or sign up for Devpost to join the conversation.