HackZurich2020 Contribution

Challenge Goal:

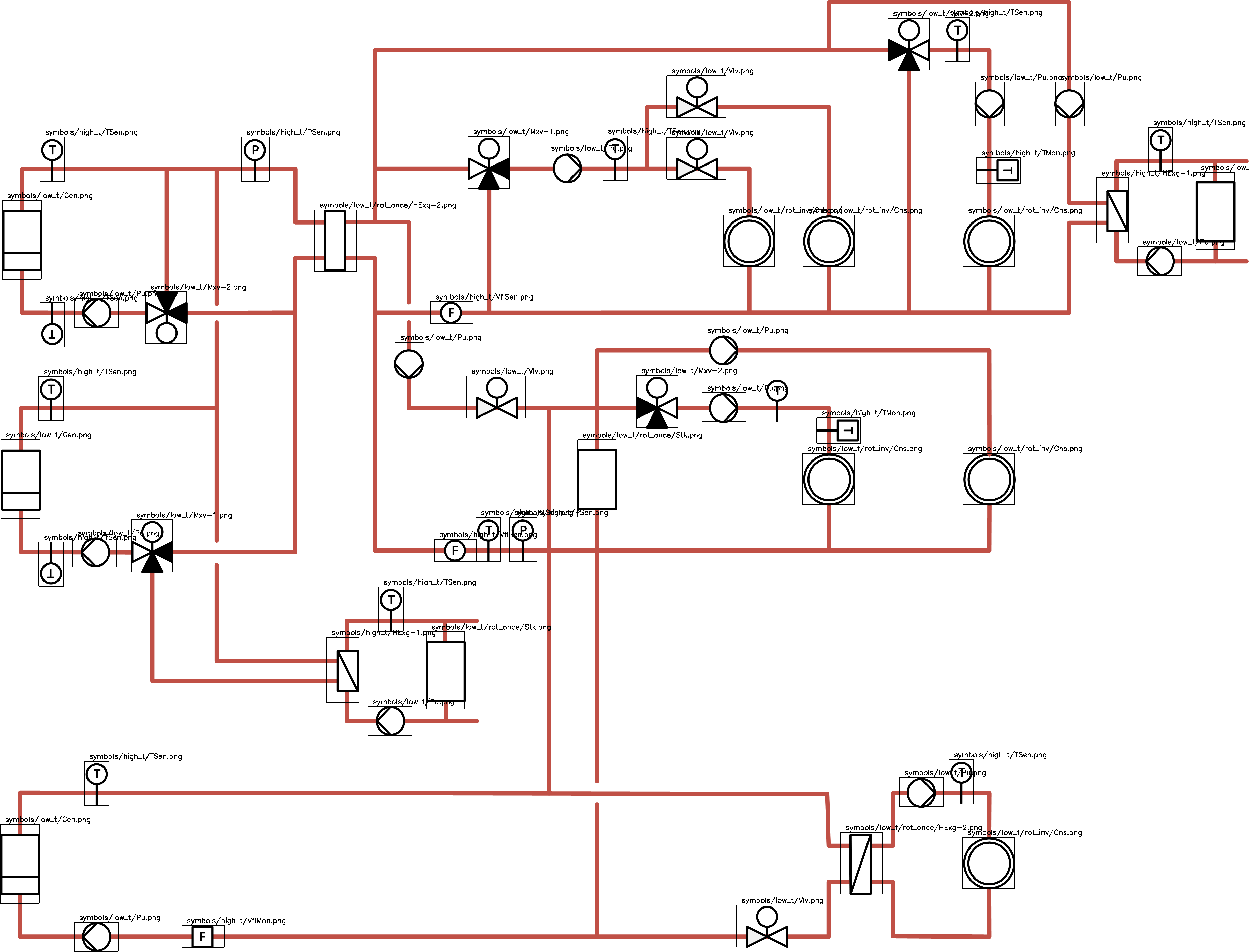
  1. Read and understand building automation plans
  2. Visualize a graph of the building equipment

Main Link

How

We used pattern matching to detect all the symbols in the plans and then used an connected component algorithm to check how all the detected nodes are connected.

After building a graph representation, we can then use this to visualize the data in every way we want using a small web app.

Built With

Share this project:

Updates