-
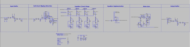
System Block Diagram
-
System Overview
-
Input buffer schematic
-
Distortion stage schematic
-
Equalizer Schematic
-
Equalizer Implementation Schematic
-
Noise Gate Schematic
-
Output Buffer Schematic
-
Protected Power Circuit
-
True (Passive) Bypass Circuit
-
Frequency response adjusting 100Hz band
-
Frequency response adjusting 400Hz band
-
Frequency response adjusting 1.6kHz band
-
Frequency response adjusting 6.4kHz band
-
Frequency response showing effectiveness of noise gate
-
Frequency response showing master volume knob control
Inspiration
As a guitar player and analog electronic enthusiast, I am annoyed by large company's choices to use such large form factors for simple pedals that I believe could be made just as effective in a smaller size. I decided to create a multi-effects pedal in order to save space on my pedalboard and make some room for other effects.
What it does
This pedal takes an input signal, buffers it to clean up noise, distorts it using a clipping gain control and a level control, passes that signal to a 4 band equalizer (100Hz, 400Hz, 1.6kHz, 6.4kHz), passes the equalized signal through a noise gate to eliminate any humming below a certain dB range (configurable through potentiometer), allows the user to adjust the master volume and then buffers it once more to ensure a noise-free output. This signal can then be sent to any standard guitar amplifier for sweet, sweet tones!
How I built it
Designed with the help of some reference designs on paper (noise gate circuit in particular), then ported into LTspice for component validation and simulation data.
Challenges I ran into
Unable to simulate the desired clipping diodes (nanolog devices) as there is no SPICE model available, so I used Si diodes instead which drastically changes the clipping profile.
SPICE also does not have a default potentiometer model, so I was forced to simulate all the pots as linear. I couldn't think of a good way to model a logarithmic/audio pot.
Accomplishments that I'm proud of
The pedal (mostly) works just as I designed it to! The gain knob does not seem to work properly as it does not change the frequency response (verified via inspection by my eyes) upon a full parameter sweep. This could be because I designed it to work with different diodes than are actually in the model, but I will have to physically build the board to really tell. Either way, once it's on the bench it's an easy swap.
What I learned
A lot of SPICE! I've used it in the past for some lab work in my circuits classes, but never felt very comfortable with it. After the last 24 hours, I feel much more competent and comfortable using it. I also gained some additional competency in analog audio electronic design, and found some great reference websites to use in the future.
What's next for Guitarmageddon
Finishing the port into Altium and then doing the PCB layout, ordering from a board house & getting it on the bench! (Then plugging it into my amplifier and getting yet another noise complaint from my apartment neighbors... XD)
Built With
- ltspice


Log in or sign up for Devpost to join the conversation.