Inspiration
NEOM’s vision to become the world’s first 100% renewable-powered city, combined with extreme desert weather challenges like dust storms and heatwaves, inspired us to create GridGuardian AI. Current grid models often overlook rare extreme events and equipment degradation specific to harsh environments, risking costly failures and downtime. Leveraging cutting-edge AI and multi-modal data fusion, we aim to fill this gap and contribute to NEOM’s ambitious sustainability goals.
What it does
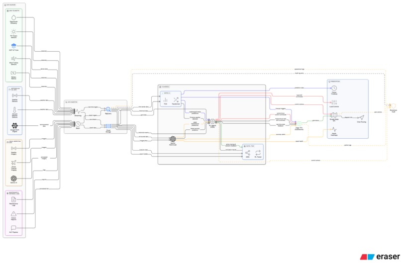
GridGuardian AI predicts grid vulnerabilities 72-96 hours in advance by analyzing meteorological data, satellite and drone imagery, IoT sensor telemetry, and maintenance logs. It autonomously adjusts energy loads, battery storage, and hydrogen production schedules through reinforcement learning, maintaining grid reliability. A real-time dashboard visualizes grid health, failure risks, and optimized maintenance routing, enabling rapid operator decision-making and reducing downtime.
How we built it
We integrated Google Cloud Vertex AI for time-series forecasting, Gemini AI for multi-modal failure detection, and Google Maps API for visualization. Real-time data streams flow through IoT Core into BigQuery for scalable storage and querying. Reinforcement Learning algorithms automate load balancing, executed on Edge TPU devices for fast localized control. All orchestration, UI, and edge computing were developed from scratch during the hackathon, building on publicly available datasets and frameworks.
Challenges we ran into
Aligning heterogeneous data sources temporally and spatially was complex. Capturing rare extreme weather events within forecasting models posed data scarcity challenges. Designing reliable reinforcement learning policies balancing energy cost, uptime, and carbon goals under real-time constraints required iterative tuning. Deploying models efficiently across cloud and edge hardware revealed integration hurdles overcome by modular architecture.
Accomplishments that we're proud of
We created a unified AI pipeline tailored for extreme desert grid environments. Our digital twin simulations validated meaningful predictive lead times and autonomous load balancing benefits. The interactive Google Maps-powered dashboard effectively visualizes complex multi-layer grid status and risk zones. We developed a production-feasible, scalable solution aligned with both hackathon and Saudi Vision 2030 goals.
What we learned
Extreme event forecasting demands specialized AI beyond classical smoothing techniques. Multi-modal fusion significantly improves failure mode diagnosis accuracy. Autonomous grid control reduces operational complexity and increases resilience. Sustained collaboration between AI and domain experts is essential for practical impact and model validation.
What's next for GridGuardian AI: Predictive Resilience NEOM’s Renewable Grid
We plan to integrate live NEOM grid data, develop mobile operator apps, and extend our reinforcement learning to multi-agent energy management. Testing in related harsh environment grids globally is anticipated to refine model robustness. We aim for full digital twin capabilities enabling predictive maintenance self-optimization, facilitating NEOM’s clean energy leadership and smart city ambitions.
Built With
- ai
- bigquery
- firestore
- gcp
- gemini
- javascript
- maps
- python
- pytorch
- react
- vertex



Log in or sign up for Devpost to join the conversation.