Electromagnetic Levitation Stabilization Apparatus (ELSA)
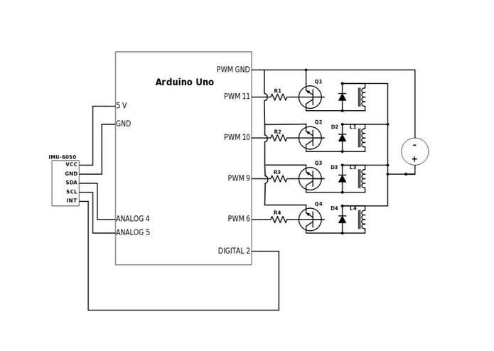
Electromagnetic Levitation Stabilization Apparatus This project aims to stabilize objects during earthquakes. Four electromagnets act as pillars to levitate a platform based on accelerometer feedback. This keeps the platform flat regardless of any external movement. Link to Paper
Features
- Costs less than $150
- Increases stability by 70%
- Has various applications in photo and building stabilization

Log in or sign up for Devpost to join the conversation.