-
-
EcoV logo
-
1.1 EcoV Platform System Design Overview
-
2.1 EcoV IoT Power Switch Hardware Concept
-
2.2 EcoV IoT Power Switch Hardware Prototype
-
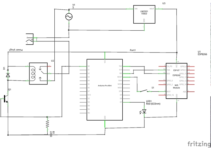
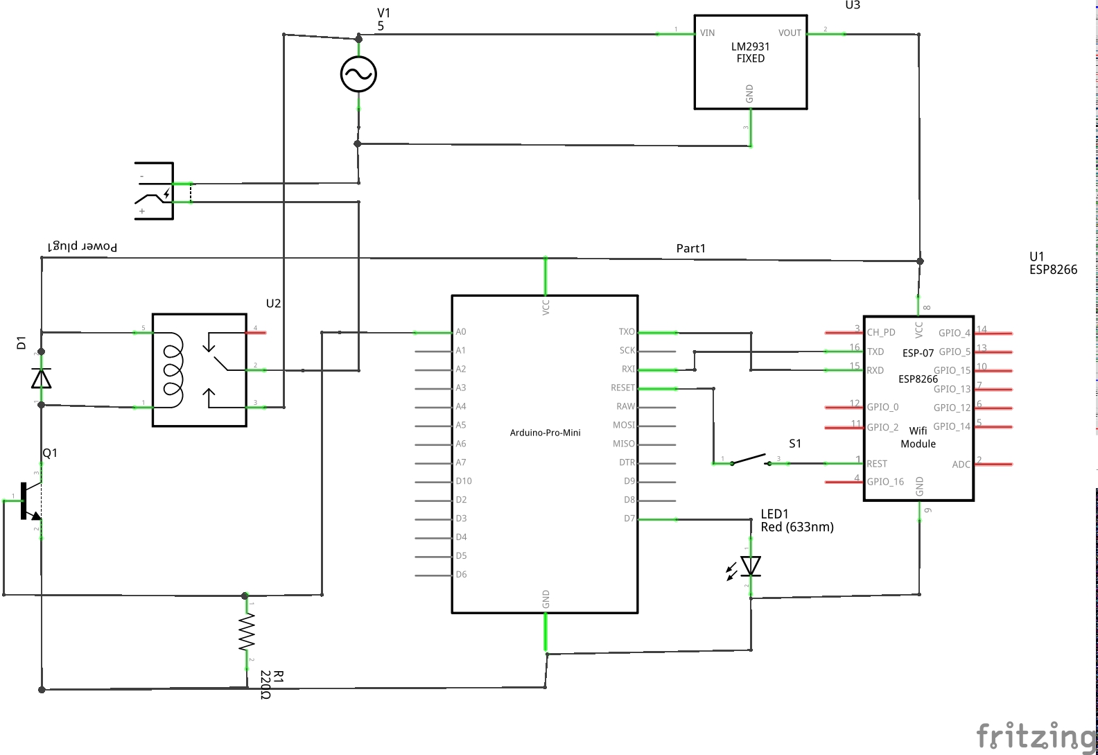
2.3 EcoV IoT Power Switch Schmatics
-
3.1 (Step 1) App User Interface - Request Charging Service
-
3.2 (Step 3) App User Interface - Confirm Price or Rewards
-
3.3 (Step 4) App User Interface - Schedule Charging
-
3.4 (Step 5) App User Interface - Charge Completion and Reward Points
-
3.5 (Step 2) Technical Design – Web Services
-
3.6 (Step 2) Technical Design – Blockchain
Inspiration
The design of the EcoV platform is inspired by the need to address the challenges of charging electric vehicles on fixed rate structure set to create new demand surges.
The current market trend in Australia (and also globally to certain extend), include: (1) Wholesale prices more than doubled in the past two years in most states (2) Renewable energy to be capped (recently output curtailed in South Australia to maintain minimum dispatchable generation output) (3) Reliability concerns on power grid, due to decreasing surplus generation and increasing renewable penetration
The introduction of EcoV platform aims to address these issue by allowing:
(1) Flexible charging rate structure to incentivise staggered charging at lower prices (2) Scheduled charging based on blockchain enabled mini-tenders (3) Reduced demand surges due to electric vehicle charging
What it does
The EcoV Platform is to: Promote Sustainable Electric Vehicle Charging Practices
The EcoV Platform is built on the vision to: (1) Create a virtual dispatchable demand centre (2) Enable widespread renewable energy (3) Reduce need for expensive storage solutions
The overall process works as follows:
- User Requests Charging Service using EcoV Mobile App or Online Web Portal; User selects time by which charging to be completed
- EcoV Mobile App or Online Web Portal negotiates Best Price, or Best Rewards, using EcoV Platform, which communicates with electricity generators
- EcoV Mobile App or Online Web Portal displays Price and Rewards for User to confirm
- After confirmed, Charging is Scheduled.
- When Charging is completed, user get rewards.
How we built it
EcoV team builds the platform using a systematic approach, involving integrating hardware and software technologies. This is shown in the "1.1 EcoV Platform System Design Overview".
The Hardware Subsystems involves: EcoV IoT Power Switch as shown in "2.1 EcoV IoT Power Switch Hardware Concept", "2.2 EcoV IoT Power Switch Hardware Prototype", and "2.3 EcoV IoT Power Switch Schmatics".
The Software Subsystems involves: EcoV Platform, including App or Web Portal, as shown in "3.1 (Step 1) App User Interface - Request Charging Service", "3.2 (Step 3) App User Interface - Confirm Price or Rewards", "3.3 (Step 4) App User Interface - Schedule Charging", and "3.4 (Step 5) App User Interface - Charge Completion and Reward Points".
To integrate both subsystems, EcoV introduces Web Services and BlockChain, as shown in "3.5 (Step 2) Technical Design – Web Services", and "3.6 (Step 2) Technical Design – Blockchain".
To illustrate our design, we have also developed some initial scripts (C# and Blockchain), which can be found at: https://onedrive.live.com/?id=21EE080F298753A3%21137&cid=21EE080F298753A3
Challenges we ran into
EcoV is keen to solve problems for the following challenges:
(1) Reduced: lower carbon emissions by enabling increase renewable energy (2) Empowerment: giving people control of their electric vehicle charging at optimised cost and allowing them to support renewable generation (3) Livable cities: reduced overall cost of electricity by reducing volatility, increased renewable generation and reducing spare dispatchable generation capacity required
In EcoV, we are super excited to address the challenges of Civic Empowerment and Reducing Footprint !
Accomplishments that we're proud of
The EcoV team has delivered a number of conceptual design, along with high level processes, in a very short time period including:
1. Systems Overview
1.1 EcoV Platform System Design Overview
2. Hardware Conceptual Design
2.1 EcoV IoT Power Switch Hardware Concept 2.2 EcoV IoT Power Switch Hardware Prototype 2.3 EcoV IoT Power Switch Schmatics
3. Software Conceptual Design
3.1 (Step 1) App User Interface - Request Charging Service 3.2 (Step 3) App User Interface - Confirm Price or Rewards 3.3 (Step 4) App User Interface - Schedule Charging 3.4 (Step 5) App User Interface - Charge Completion and Reward Points 3.5 (Step 2) Technical Design – Web Services 3.6 (Step 2) Technical Design – Blockchain 3.7 (Step 2) Technical Design – Web Services: Example Source Code 3.8 (Step 2) Technical Design – Blockchain: Example Source Code
This DevPost contains the design documents, and screen captures.
What we learned
We have learned a number of important lessons, including:
(1) There is huge potential for this market, in Australia and overseas (2) Solving the problem will help us to address the challenges listed above (3) We will need further market research, and technical design to evaluate system architecture (4) We will need more time to develop a working prototype
What's next for EcoV
The next step for EcoV is to take detailed technical design, and perform comprehensive market research. Based on this, EcoV will design and develop prototypes of the system. EcoV will then release Beta version (working prototypes) to selected customers for test and evaluation. The customer's feedback and comment will take our system to the next level, that is, to release to market. At this stage, we expect the following stages and timeframes:
Stage 1: Prototype Target: Working Prototype, with detailed Design, and limited Functionalities. Duration: 3 Months Goal: Internally Tested
Stage 2: Beta Target: Working Prototype with Full Functionalities Duration: 10 Months Goal: Release to Public Test
Stage 3: Product Target: Full Functional Product Goal: Release to Market
-------------- End --------------



Log in or sign up for Devpost to join the conversation.