More Information can be found at [link][http://mydrip.ca]

The Problem

The Food and Agriculture Organization (FAO) predicts the world's population will increase from 7.3 billion to 9.7 billion people by 2050 - which will require global crop yields to increase by 70% to meet rising agricultural demand. To avoid creating undue stress on the global food supply chain, farmers will need to use innovative methods to conserve the resources they draw upon the most, with water being top of mind. With greater demand on water resources, conservative water management techniques will become of greater importance. To overcome these challenges, farmers in developed nations implemented precision irrigation systems, but farmers in developing nations lack similar systems due to high-cost and complexity.

The Solution

Drip is a low-cost, efficient precision irrigation system that was designed to service the needs of farmers in developing nations. Drip employs an advanced mesh networking algorithm to enable a Wireless Sensor Network (WSN) of field nodes. An Internet of Things gateway is used to upload data points from the WSN into the Drip database. The Drip dashboard uses innovative data visualization techniques to integrate the field data collected and data from online API's to provide a comprehensive view of the crop irrigation needs. Drip's pioneering hardware and software modular architecture, enables a base implementation of the system for less than $12, with additional nodes costing $3 - $6, depending on the required functionality. This represents a 98% reduction from the cost of similar precision irrigation systems, such as the CropX Pro Sensor.

System Architecture

(http://mydrip.ca/thesaas/process.png)

Devices

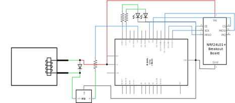
Communication Hub (CAD$9.17) (http://mydrip.ca/thesaas/comhub.png) The Communication Hub Internet of Things (IoT) Module is responsible for all interaction between the Field Probes/Valves and the Cloud Drip Database. The Communication Hub is divided into two components: Gateway and Uplink. The Gateway, an Arduino based component, deals with connecting the Communication Hub to the Field Network using the NRF24L01+, acting as a master node to the Mesh Network. As the Gateway receives data from the Field Modules, it relays it via Serial transmission to the Uplink. The Uplink, a Particle-based component, deals with uploading the data received from the Gateway to the Particle Cloud API, triggering an HTTP Post Event, which subsequently uploads the data to the Drip database.

The Communication Hub features an ATMEGA328p processor, a long-Range 2.4 GHz RF data transmitter, a 32-byte maximum payload, a novel RGB status light, and a Particle Photon.

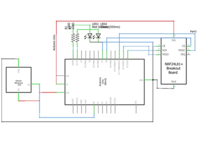
Field Probe (CAD$4.50) (http://mydrip.ca/thesaas/probe.png) The Field Probe, equipped with moisture and sun exposure sensors, continually monitors the crop irrigation conditions - relaying it to the central Communication Hub via the Mesh Network. Advanced power management techniques are used by the Field Probe to conserve power and reduce the possibility of transmitting redundant data points. The power management protocol puts the main hardware components "to sleep" based on the average variation in Soil Moisture and the current weather throughout the day. For example, a smaller variation in data results in the Field Probe "to go to sleep". The image on the left shows the Mark 7 of the Field Probe.

The Field Probe features an ATMEGA328p processor, a long-Range 2.4 GHz RF data transmitter, a 32-byte maximum payload, a 3-month battery life, and multi-depth moisture sensor readings for a more precise result.

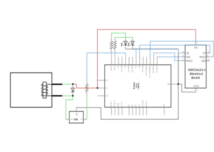
Field Valve (CAD$10.96) (http://mydrip.ca/thesaas/valve.png) The Field Valve allows the farmer to control crucial machinery, such as sprinklers, in their field through the advanced online-Drip dashboard. The farmer can use the dashboard tool called Events to schedule actions for when to activate the valve, based on both time intervals and/or sensor thresholds. Likewise, Drip's predictive analytics engine can be activated to automatically control the sprinklers based on its discretion.

The Field Valve features an ATMEGA328p processor, a long-Range 2.4 GHz RF data transmitter, a 32-byte maximum payload, and a nominal 1/2" water valve.

Analytical Tools

Dozens of Analytical and Dashboard tools were created to provide the user with an advanced and concise view of real-time crop growing conditions. Four key ones are highlighted below.

Summary (http://mydrip.ca/thesaas/summary.png) This tool renders a brief summary of all the fields associated with a user's account, while also utilizing Drip's novel Weather Pattern Score predictive analytics algorithm to forecast crop irrigation needs.

Real Time (http://mydrip.ca/thesaas/realtime.png) This tool uses a host of big data visualization techniques, such as mapping technology, to provide an advanced and concise composition of real-time crop irrigation data in a specific crop field.

Driplapse (http://mydrip.ca/thesaas/driplapse.png) This data visualization tool uses a novel hexadecimal coloring scheme to provide a visual representation of historical crop condition data. This enables an advanced visualization of a field's historical crop data.

Plant Wise (http://mydrip.ca/thesaas/plantwise.png) This predictive analytics tool provides a recommendation for the most suitable plant for a farm based on a variety of factors, such as soil characteristics and physical plant growth patterns.

Beta Test

To test the usability of the Drip system and effectiveness of the Big Data Analytics engine, a comprehensive 7-week long Usability Test was conducted. This Usability Test was successful in yielding over 50,000 data points about user interaction and satisfaction with the dashboard. With 203 participants from 17 countries, reporting 51 "bugs" and having over 1000 minutes of active usage, this Usability Test was instrumental in refining the user interface and provided invaluable enhancements to the reporting of Big Data Analytics.

(http://mydrip.ca/thesaas/bugs.png)

More Information can be found at [link][http://mydrip.ca]

Share this project:

Updates