Clock
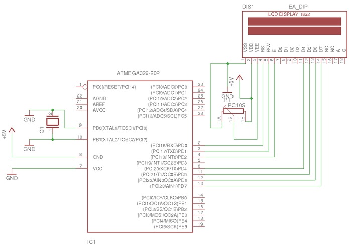
This is a clock that counts upwards or downwards. Built using an atmega328p and an lcd1602A screen. It shows the days, hours, minutes and seconds
To check out the functionality for counting upwards
git checkout countUp
To check out the functionality for counting downwards
git checkout countDown
Or you can toggle the branch from master to countUp or countDown from the tabs at the top
Built With
- avr
- c
- eagle

Log in or sign up for Devpost to join the conversation.