Inspiration
The average AQI(Air Quality Index) of Delhi and other cities is alarmingly high, making breathing extremely difficult. The massive amount of pollutants in the air is causing an unfortunately huge number of diseases of various types within the people living in and around the cities. Even the air inside homes and other enclosed areas is of very poor quality and continues to deteriorate everyday.
What it does
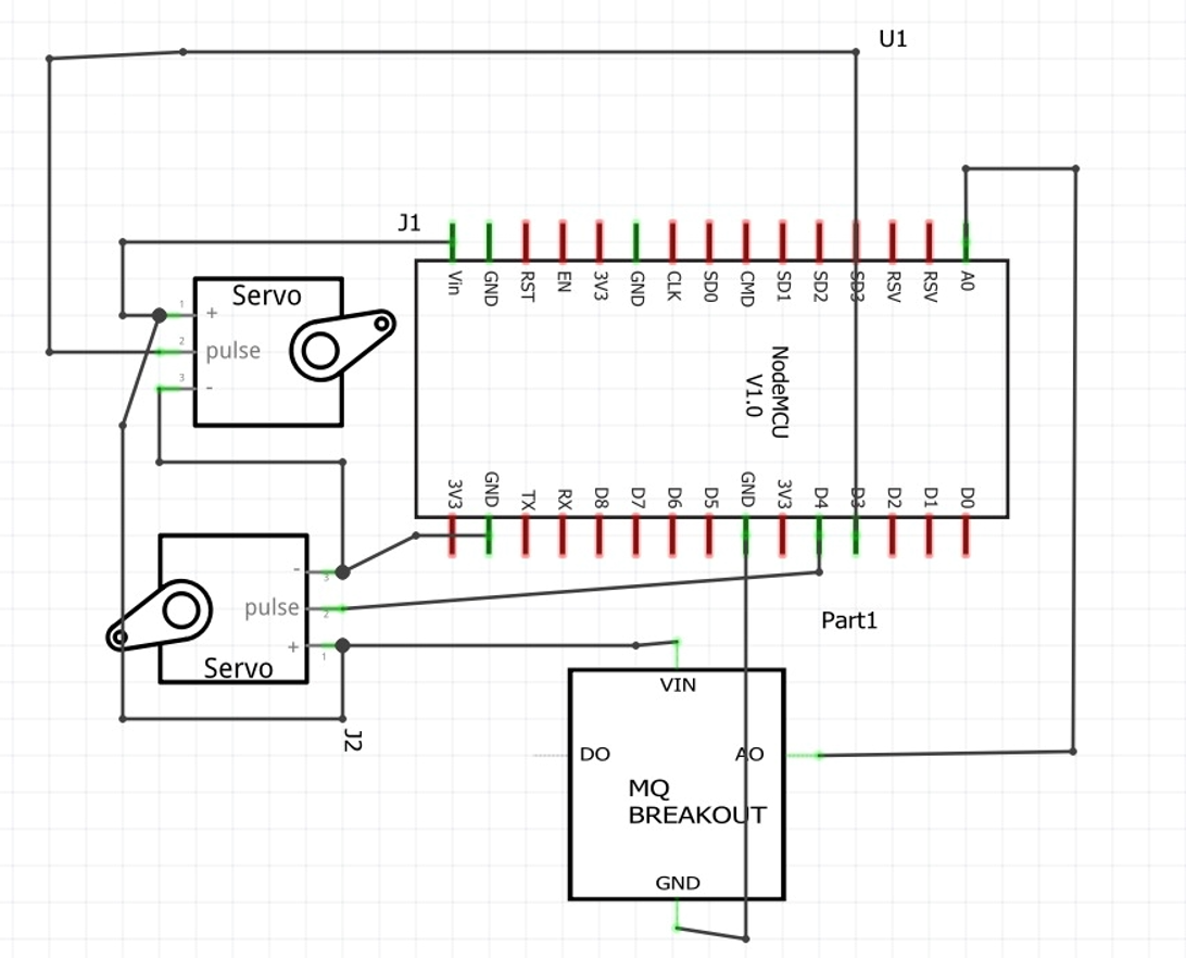
We have come up with a methodology to devise a method which can measure the AQI of the space and switch on the mechanisms which can lead to purification of the air inside the premises. For detection of indoor air quality, we plan to use a sensor to measure the Air Quality Index and send it to our microcontroller. The microcontroller will then use a WiFi-module to push the AQI data to an app. We will use an MQ sensor for sensing purpose and Arduino for processing the sensor data. We will use a WiFi module for pushing the processed sensor data to an app which can be viewed by the user.
How we built it
The microcontroller will interpret the AQI values. If these AQI values are found harmful, the microcontroller with command the servo motors to move and close the mask of the user. All these values will be fed to an application which will be built wherein the user can view all these details on his smartphone. This way he can document the areas a person travels which is highly populated so that he can avoid that in the future. Also the application will give precautions to the user based on the AQI index of the air surrounding the user.
Challenges we ran into
Setting up and simulating the circuits in Node MCU was a big challenge in itself and sending data from firebase SDK to the application was another very big challenge that we encountered in these couple of days.
Accomplishments that we're proud of
To solve a compelling problem of pollution using minimal tools and thereby promoting a peaceful and healthy lifestyle is something we are extremely proud of. To come up with a solution in such a short span of time taught us to make quick and thoughtful decisions. We are extremely proud of the fact that we've managed to solve one of the 17 major Sustainable Development Goals.
What we learned
Learning is a continuous process. From this hack, we learnt that it does take a lot of time to understand a real world problem and that every problem has a solution, but that solution will take time to build. We also learnt the various phases of tackling a real world problem right from ideation to execution and it was a fantastic journey to help make the world a better place to live in.
What's next for Breathe-Easy
As of yet, nothing so far fetched has been thought of, but we do plan to detect at a faster rate and detect for things other than AQI as well.
Built With
- android-studio
- arduino
- figma
- firebase
- mlkit
- nodemcu






Log in or sign up for Devpost to join the conversation.