One of the major problems affecting health care facilities during the COVID-19 crisis is lack of ventilation systems. As a result, many groups around the world are attempting to design DIY ventilators. The issue is that these ventilator systems could be dangerous to the patient and physicians are hesitant to adopt new systems during this time without testing. Physicians would rather adapt the current ventilator systems in order to function with multiple patients. To date, a splitter has been made to allow use of one ventilator for two patients. However, with that splitter there is no method to supply different pressures to each patient or to monitor the air being provided to them both. With these problems in mind, we propose building a smart splitter in order to safely provide and monitor air to two patients with a single ventilator.
Our idea consists of creating a splitter device that would be equipped with flow, CO2, and pressure sensors to monitor the air provided to both patients. The pressure sensors would be implemented in a feedback loop with a pressure control system to maintain the different pressures needed for each patient. For safety purposes, the device should also send alerts if the splitter is not working based on peak pressure, flow rate, and/or CO2 content.
GitHub repository: https://github.com/gorkygab/LaushackCovid19
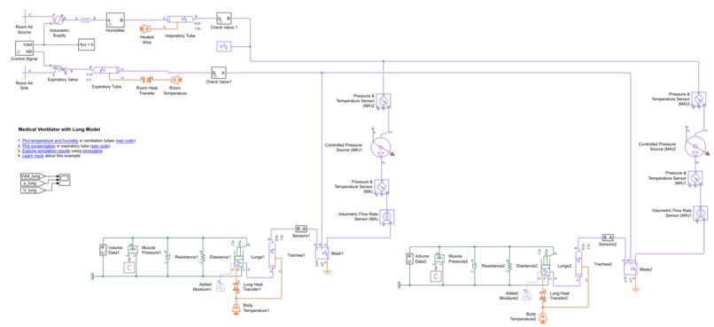
The Simulink ventilator + lung model is based on the one found under: https://ch.mathworks.com/help/physmod/simscape/examples/medical-ventilator-with-lung-model.html




Log in or sign up for Devpost to join the conversation.