Short description:

This main aim of this project is to design a low-cost hardware based key remapping platform that focus on user experience, providing an alternative to expensive programmable keyboard solutions.

What problem am I solving?

  • Programming keyboard are very expensive/overpriced. a low cost divice that can convert normal keyboard into would lower the cost of programmable keyboard dramatically.

    for example:

    X-Keys XK-60 cost $362 with 60 keys

    vs

    common keyboard that cost < $10 and has 101 keys

  • Programmable keyboard don't have a standard way of programming, this make it hard for user to share their productivity/workflow configurations with other users.

  • Mapping dedicated key to to perform IoT/hardware actions provide alternate way to interact with IoT device and is faster than using an UI but it's costly because Keyboards often require a computer with operating system and driver to work, an computer capable of running OS increases the cost of deployment.

Solutions:

Design a hardware device that

  • Sits between keyboards and the target computer
  • Can take input from (onboard key, connected keyboard, wifi, http, mqtt, time event, bluetooth)
  • Can process / map key to any key/key sequence
  • Can send output anywhere (other computer(s) as keyboard emulator, bluetooth style keyboard emulator, write to storage device for key logging, send http, mqtt to IoT device and servers)
  • Can be used without a host computer

  • additional/future plan: support sending lora, inferred, serial

What will make this product stand out?

The short answer is user experience in software.

User friendliness

App store /package manager that allows user share develop more IoT integration and user to share their key map and settings.

The device is 100% plug and play, there are no driver to be installed.

Designed for hacking

To lower the skill requirement for development on this produce, Javascript(low.js) is used as the main programming language, this enable an average developer to write app/complex keymap for the product.

The device can be connected to WIFI or act as a WIFI hotspot and user can develope and upload program without additional software and driver.

By using the ESP32 (a popular hardware microcontroller), developer and user have a lot of online resouce and document to gain lower level access.

Low cost, simple and roubust

The component chosen with low cost, simplicity and quality in mind.

versatile Can acts as IoT controller, keyboard key remapper, keyboard lighting effect controller, Keylogger, Wireless key injector, keyboard/mouse only KVM.

Estamate Cost (per board):

  • less than $10 for the main board
  • less that $5 for the wireless capture & inject board.

Specific use cases

  • Record and replay keystroke (UI automation method accessible to general users)
  • Keyboard automation for platform that only support simple keyboard, such as smart TV, PC BIOS/UEFI.
  • use as wireless keyboard and mouse only KVM. KVM is a device allow sharing one keyboard/monitor/mouse between multiple computers, it's mostly in server rooms/data centers where admins need a quick way to switch between servers.
  • use as an wireless keylogger/injector (pen test tool)
  • Convert a bluetooth keyboard USB one (Most desktop computer does not have bluetooth, this allows desktop computer to use bluetooth keyboard)
  • Convert USB keyboard to wireless one
  • Connect and control IoT devices with dedicated key.

Hardware product overview:

Main board:

  • Has a few programmable key dedicated key for menu access
  • Can be connected to one computer with USB
  • Can be connected multiple keyboards
  • Has a small OLED screen to display info/time
  • Has customisable RGB,

Wireless key injector & capture:

  • A small device that can be connected to the main board through wirelessly and receive keys and commands from the main board.
  • Can be used as a wireless key injector & logger (pen test tool)

Estamated cost (per board):

  • less than $10 for the main board
  • less that $5 for the wireless capture & inject board.

Target user:

  • Productivity users;
  • People that works with complex software suit (MS office, Adobe Photoshop, Adobe premiere, Programming IDE etc)
  • PC(computer) gamers
  • Reddit community /r/mechanicalkeyboard
  • General user with that wish to use keyboard/mouse to control IoT device.
  • General user that wish to use macro in locked down / hardware that they do not own.

What was done during the Hackerthon period ?

  • This design document which specify what the final product shoule look like and the cord idea of the project.
  • A software demo to demonstrate how macros can be used.
  • Lots of research on choosing the best component / cost optimisation
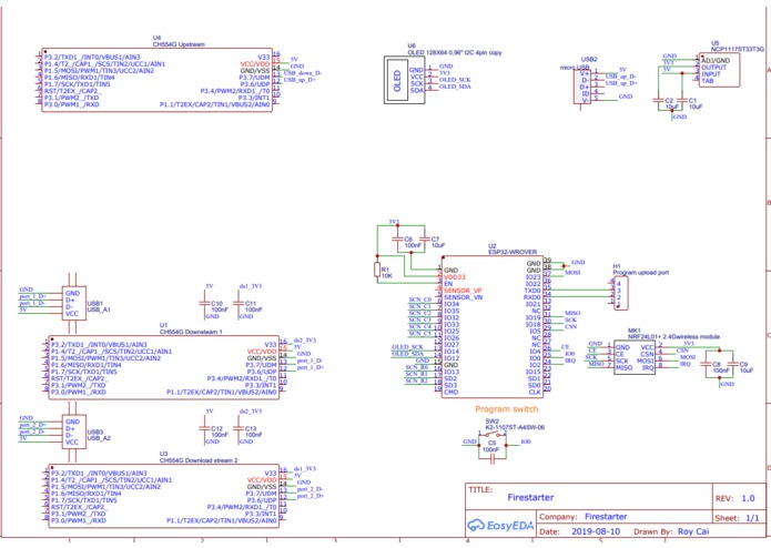
  • Ciruit schematic (mostly done)
  • PCM board layout (mostly done)

What about software key mapper?

I am aware of the software solution out there (namely AutoHotKey) that does key remapping, keyboard/mouse automation. However, there are some disadvantages:

  • require installation of software and cannot be used on locked down machine, generally not portable
  • Window specific, (not work on Mac, does not work on Linux, smart fridge)
  • Does not have RGB ?

Why is it called project firestarter?

As with many hardware, it could literally start a fire. If I named it firestarter, then it would be assumed that it's a feature instead of a bug/flaw in the design.

More importantly it represents the iterate/experiment/fail fast spirit.

Hardware parts used:

  • ESP32: main microcontroller for running low.js code
  • CH554G: low cost MCU Keyboard capture device
  • Nrf42: Wireless module to connect to wireless key injector
  • Oled scree for displaying time simple UI
  • Keys: for menu access and setting up device without keyboard or computer

Alternative name for the final product:

  • Fire starter is the project name for my own reference. Alternate products name are being consider. (suggestion welcome ;)
  • Keyboard dock
  • Keyboard smartilizer
  • Keyboard intercepter
  • Keystroke router
  • IO mapper Input/output mapper
  • Keyboard Relay
  • Keyboard manager
  • Input transformer

How I built it

Tools and technologies used

  • EasyEDA : circuit and PCB design
  • MicroPython:
  • AutoHotKey: demo

Challenges I ran into

  • Managing time was a challange
  • Choosing component, often there are lot of simlar components with similar specs from different Manufacturer

What I learned

  • How to make a scanning key matrix: Scanning key matrix is a technique to connect keys in row and columns in order to reduce the number of IO pin required to read the state of the switches. It number of IO pins with speed. For example, for 3 * 5 keys: direct connection would use 15 IO pins, reading states of all key may take 100us. with the matrix scan technique, one would only require 8 IO pins, reading states of all key may take 1000us. It is often acceptable to use key matrix for input device since human responses tend to be much slower.
  • with Low.js, one could run javascript code on a Microcontroller.

What's next for Firestarter

Oder PCB, write firmware, internal testing. Send sample to users and ask for feebacks. Open source the platform. Share it on keyboard / productivity forum Sell assembled hardware.

Built With

  • esp32
  • keyboard
  • micropython
  • usb
Share this project:

Updates